SC(E)...控制器
作者:亿普工业科技(常州)有限公司浏览人数:202次 更新时间:2025年08月24日

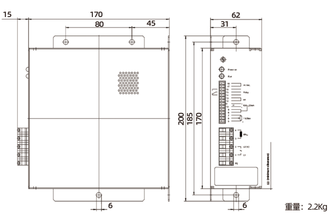
紧凑、电压调节,电流范围从0.8到15.0A之间模拟量调节。控制器有一个用于远程监测或和自动控制主系统联锁的内置输出继电器(转换触点)。控制器可按近似线性实现振幅调节。
上一篇:SA(E)...控制器
下一篇:SRA(E)...控制器
更多推荐




